Ersatzteil Wahl:
MH 1C-110/600
MH 2M-140/600
MH 2M-155/660
MH 3M-140/580 PAX
MH 3M-160/770 PAX
MH 4M-165/820
MH 4M-180/860
MH 4M-180/860 FA EU
MH 4M-190/960
MH 4M-200/960 FAX
MH 4M-200/1010
MH 4M-210-1000
MH 5M 180/800 PA E12
MH 5M 180/800 PA E24
MH 5M-190/960
MH 5M-200/1080 XP
MH 5M-200/960 FA
MH 5M-210/1100 FAX
MH 5M-150/750 E12
MH 5M-150/750 E24
MH 7P-175/1260 FA
MH 7P-175/1260 P
MH 7P-175/1260 FAX2
MH 7P-180/1260 FAX
MH 7P-180/1260 FA
MH 7P-200/1200 DE
MH 7P-220/1300 DE
MH 7P-220/1120 PE
MH 8P-180/2000 FAX
MH 8P-180/2000 FA
MH 3M-160-770 PAX Verkleidung
MH 3M-160-770 PAX Gestell
MH 3M-160-770 PAX 1x Waschmittel
MH 3M-160-770 PAX Anti-Kalk
MH 3M-160-770 PAX Boiler b2
MH 3M-160-770 PAX Brennereinheit
MH 3M-160-770 PAX Elektrokasten
MH 3M-160-770 PAX Lüfter
MH 3M-160-770 PAX Durchflussregelung PA
MH 3M-160-770 PAX Kraftstofftank
MH 3M-160-770 PAX Wasserauffangbehälter
MH 3M-160-770 PAX Wasserzufluss
MH 3M-160-770 PAX Motor mit Elektrokasten Stern/Dreiek
MH 3M-160-770 PAX Schlauchtrommel
MH 3M-160-770 PAX Kabel und Leitungen
MH 3M-160-770 PAX Motor mit Stern/Dreiek
MH 3M-160-770 PAX Pumpe ohne easy start und ohne Injektoren
Zoomen:
Zeichnung als PDF herunterladen
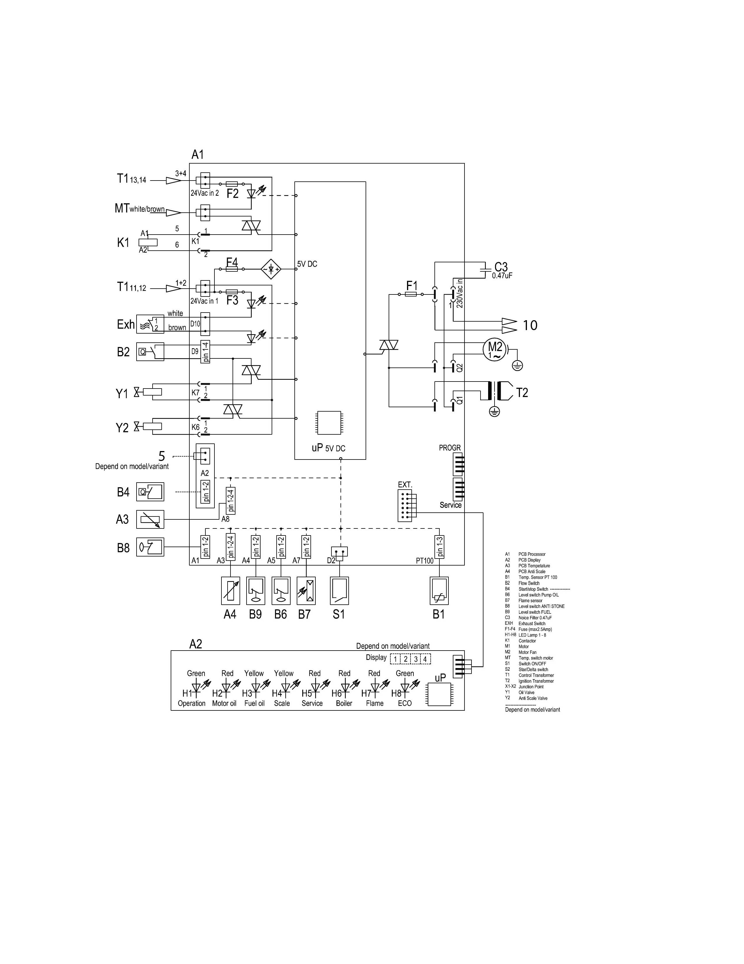
MH 3M-160-770 PAX Kabel und Leitungen
Wählen Sie die gewünschten Ersatzteile bitte durch einen Klick auf die Punkte in der Explosivzeichnung oder das oben angezeigte Menü aus.
Artikelname
Artikelnummer
Preis
Anzahl