Zum Hauptinhalt springen

Kohlenbürsten-Set L CARBON BRUSH SET L

Anfrageformular
Anfrage für ein Angebot passend zum Artikel: Kohlenbürsten-Set L CARBON BRUSH SET L / Artikelnummer: 26775
Datenschutz*
Die mit einem Stern (*) markierten Felder sind Pflichtfelder.

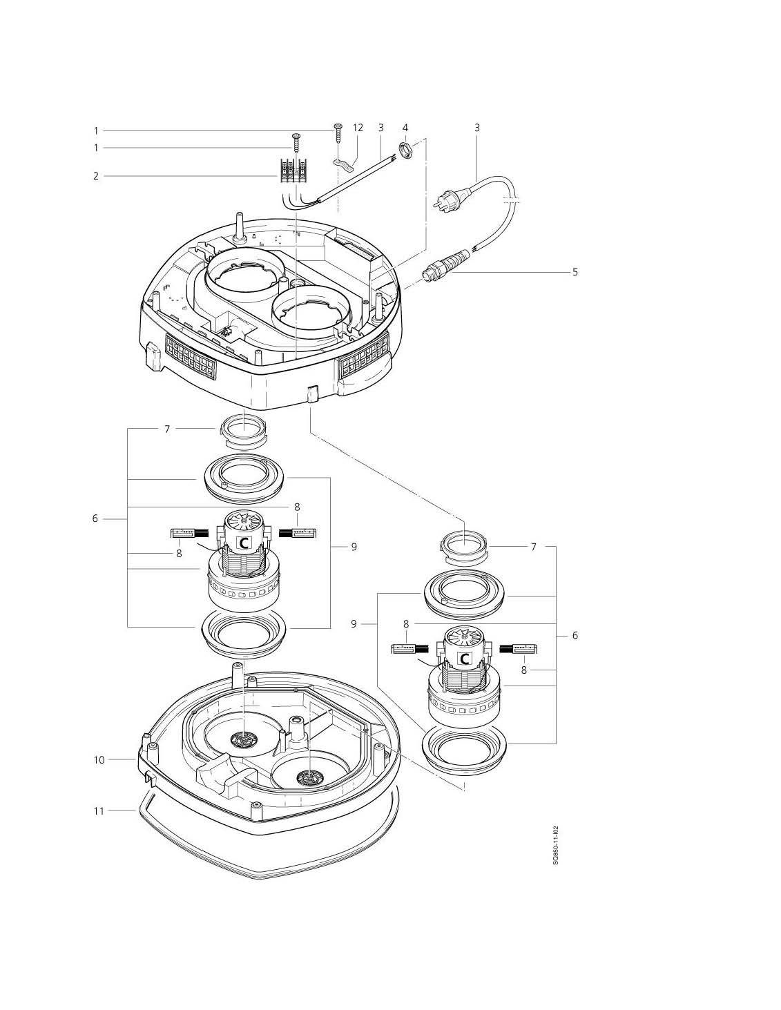
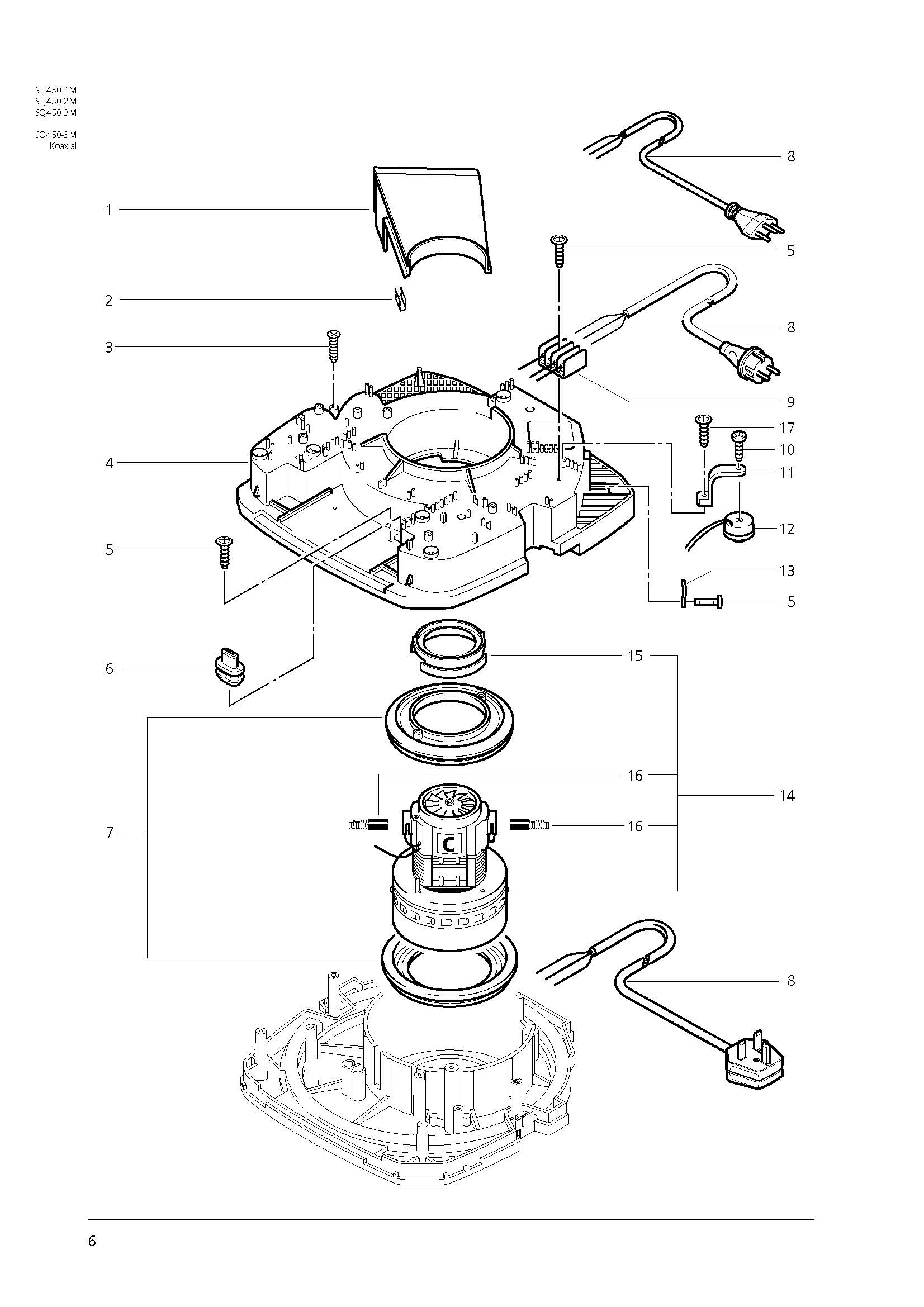
Produktinformationen "Kohlenbürsten-Set L CARBON BRUSH SET L"

Dieses Ersatzteil passt auch bei:
SQ 450 Motor
SQ 450 M Motor
SQ 450 H Motor
SQ 550 Motor
SQ 550 M Motor
SQ 650-11 Motor
SQ 650-21 Motor
SQ 650 M Motor
SQ 850 Motor
IVB 3 M Motor & Filter
IVB 3 H Motor & Filter
IVB 5 M Motor
IVB 5 H Motor
IVB 7 M Motor
IVB 7 H Motor
Attix 751-11 Base, Motor, Filter
Attix 751-21 Base, Motor, Filter
Attix 751-2M Motor und Filter
Attix 751-0H Motor und Filter
Attix 751-61 Base, Motor und Filter
Attix 751-71 Base, Motor und Filter
Attix 761-21 XC Base, Motor
Attix 761-2M XC Motor und Filter
Attix 761-2H XC Motor und Filter
Attix 350-01 Motor, Filter
Attix 350-0H Motor, Filter
Attix 360-11 Motor, Filter
Attix 360-21 Motor, Filter
Attix 360-2M Motor, Filter
Attix 360-0H Motor, Filter
Attix 360-2H Motor, Filter
Attix 550-11 Base, Motor, Filter
Attix 550-01 Base, Motor, Filter
Attix 550-0H Motor und Filter
Attix 550-2H Motor und Filter
Attix 560-2H XC Motor und Filter
Attix 751-01 Base, Motor, Filter
Attix 751-71 Base, Motor und Filter MWF
Attix 550-21 Base, Motor, Filter
Weitere Zeichnungen laden

Downloads

Nilfisk GmbH

Guido-Oberdorfer-Straße 2, 
89287 Bellenberg, DE
E-Mail: info.de@nilfisk.com

Warum bei uns einkaufen?

Sicherheit

💳 Sichere Zahlungen über PayPal, Geschützt durch Trusted Shops.

Umfangreiche Beratung

📞 Beratung per Mail, Telefon oder vor Ort – immer für Sie da!

Schneller Versand

🚚 Versand mit DHL, GLS oder Spedition – schnell und zuverlässig.

Bewertungen unserer Kunden: