Ersatzteil Wahl:
POSEIDON 1-20
POSEIDON 2-22
POSEIDON 2-25
POSEIDON 2-28
POSEIDON 2-29
POSEIDON 2-31 PE
POSEIDON 3-30
POSEIDON 3-36 PE
POSEIDON 3-40
POSEIDON 4-28
POSEIDON 4-30
POSEIDON 4-36
POSEIDON 4-41
POSEIDON 5-28
POSEIDON 5-41
POSEIDON 5-43
POSEIDON 5-47 PE
POSEIDON 5-53 PE
POSEIDON 5-54
POSEIDON 5-55
POSEIDON 5-61
POSEIDON 5-63
POSEIDON 5-67 PE
POSEIDON 5-56
POSEIDON 5-62 FA
POSEIDON 6-61 F
POSEIDON 6-65 FA
POSEIDON 6-79 FA
POSEIDON 7-59
POSEIDON 7-66
POSEIDON 7-66 FB
POSEIDON 7-67
POSEIDON 8-75
POSEIDON 8-82
POSEIDON 8-111
POSEIDON 8-125
POSEIDON 7-59 Rahmen
POSEIDON 7-59 Verkleidet
POSEIDON 7-59 Motor
POSEIDON 7-59 Zylinderblock
POSEIDON 7-59 Durchflussregler
POSEIDON 7-59 Schaumeinspritzung
POSEIDON 7-59 Druck und Volumen Regelung
POSEIDON 7-59 Wassertank
POSEIDON 7-59 Elektrokasten (A)
POSEIDON 7-59 Elektrokasten (B)
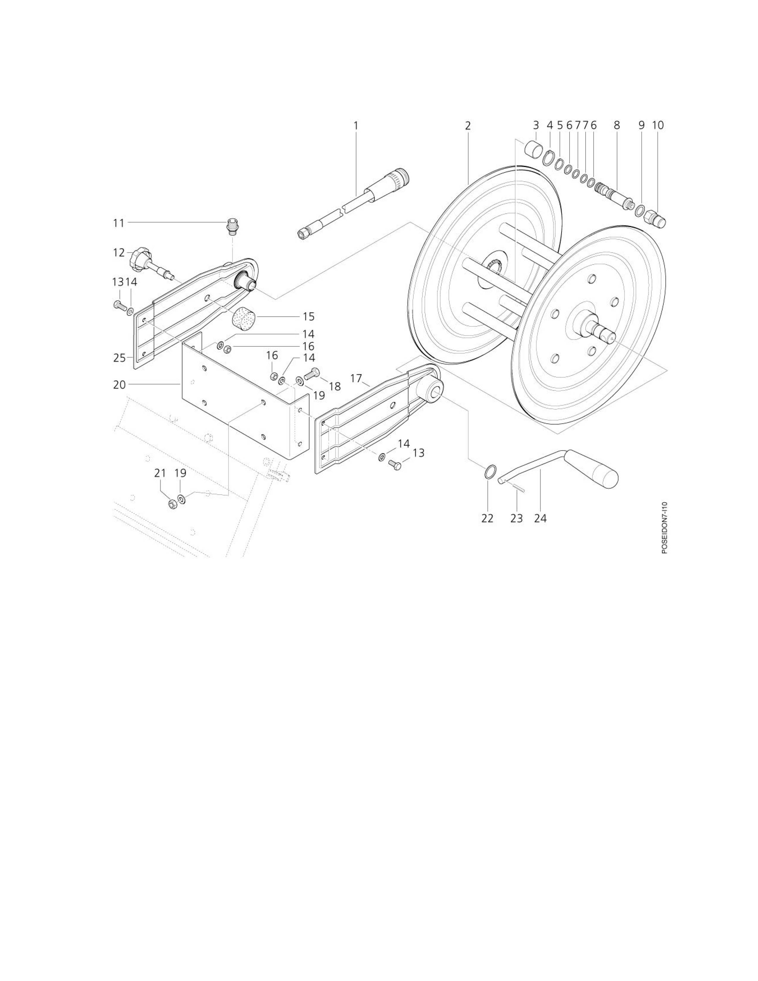
POSEIDON 7-59 Schlauchtrommel