Ersatzteil Wahl:
NEPTUNE 2-26 X
NEPTUNE 2-33 X
NEPTUNE 2-41 X
NEPTUNE 3-22
NEPTUNE 3-26
NEPTUNE 3-33
NEPTUNE 3-41
NEPTUNE 4-54 X
NEPTUNE 1-22
NEPTUNE 2-26 SPECIAL
NEPTUNE 2-30 SPECIAL
NEPTUNE 4-43 FAX
NEPTUNE 4-50 FAX
NEPTUNE 4-55 FA
NEPTUNE 5 SB
NEPTUNE 5-27
NEPTUNE 5-42
NEPTUNE 5-57
NEPTUNE 5-49
NEPTUNE 5-50 FAX
NEPTUNE 5-51 DE
NEPTUNE 5-54 PE
NEPTUNE 5-61 FA
NEPTUNE 7-61 PE
NEPTUNE 7-63 FA
NEPTUNE 7-63
NEPTUNE 7-63 FAX2
NEPTUNE 7-66 DE
NEPTUNE 7-72 DE
NEPTUNE E12
NEPTUNE E24
NEPTUNE SB
NEPTUNE 5-SB Pumpe
NEPTUNE 5-SB Wasserzufluss- Easy start
NEPTUNE 5-SB Wasserdurchfluss Regulierung
NEPTUNE 5-SB Durchflussregelung
NEPTUNE 5-SB Elektrokasten
NEPTUNE 5-SB Elektrokasten
NEPTUNE 5-SB Kessel
NEPTUNE 5-SB Leitungen Elektrokasten
NEPTUNE 5-SB Lüfter
NEPTUNE 5-SB Verteiler, Zündtransformator
NEPTUNE 5-SB Brennereinheit
NEPTUNE 5-SB Korb für Schlauchtrommel
NEPTUNE 5-SB Schlauchtrommel - Kabeltrommel - X2 Modelle
NEPTUNE SB Münzprüferaufsatz A
NEPTUNE SB Münzprüferaufsatz B
NEPTUNE 5-SB Motor mir Anschlusskasten
NEPTUNE 5-SB Verkleidung
NEPTUNE 5-SB Rahmen
NEPTUNE 5-SB Kraftstofftank, Waschmitteltank
NEPTUNE 5-SB Wasserauffangbehälter
HOSE CORD REEL SET Schlauch-/Kabeltrommel max. 20m DN 10 (301001130)
Produktnummer:
301001130
!
Dieser Artikel ist nicht mehr lieferbar. Ersatz- und Zubehörteile sind noch verfügbar.
Führungsstange 12x451 n.m.l. (301000668)
Produktnummer:
301000668
!
Dieser Artikel ist nicht mehr lieferbar. Ersatz- und Zubehörteile sind noch verfügbar.
Abdeckung SHL-Trommel lin HOSE REEL CABINET LEFT/RIGHT (301001359)
Produktnummer:
301001359
92,21 €*
Seegerring U 20 x1,2 CIRCLIP EXTERNAL 20X1.2 STEEL. DIN 471 (1802057)
Produktnummer:
1802057
4,25 €*
Schlauchführung HOSE GUIDE SECTION - UPPER 70X31.7X28.5 (301000674)
Produktnummer:
301000674
2,12 €*
%
20% Rabatt
Anschlussstück NIPPEL F. Q-COUPL. 3/8 INCH (1600493)
Produktnummer:
1600493
15,59 €*
19,49 €*
(20.01% gespart)
NEPTUNE 5-SB FA (107146652)
Produktnummer:
107146652
!
Dieser Artikel ist nicht mehr lieferbar. Ersatz- und Zubehörteile sind noch verfügbar.
Zoomen:
HOSE CORD REEL SET Schlauch-/Kabeltrommel...
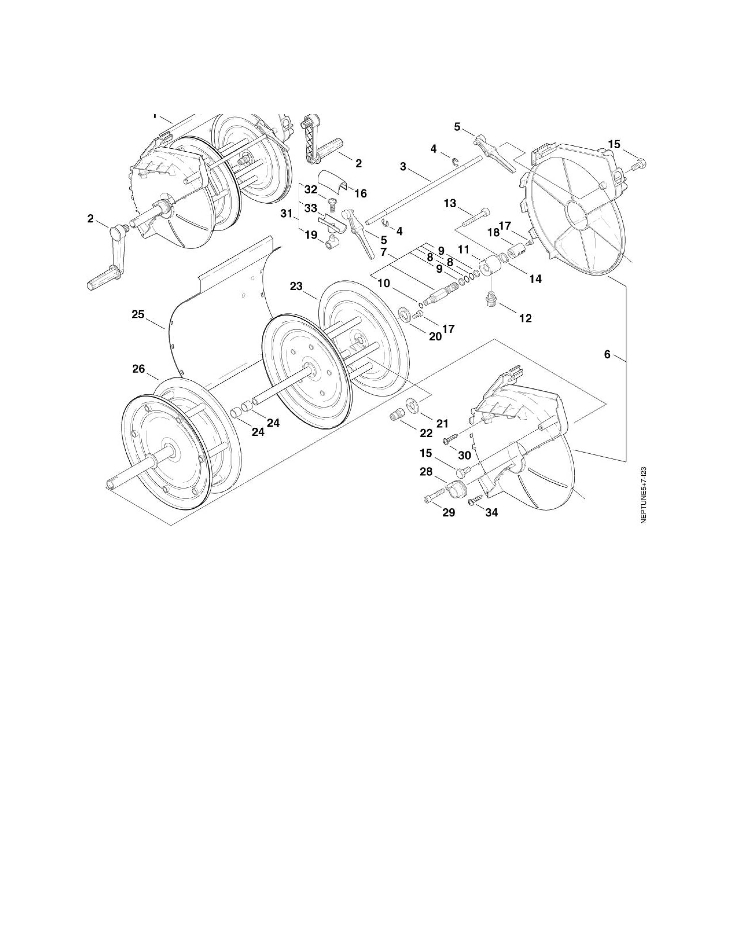
Kurbel CRANK 190X175X45
Führungsstange 12x451 n.m.l.
SAFETY WASHER D9 A2 DIN 6799 SAFETY...
Bremshebel BRAKE FOR HOSE REEL
Abdeckung SHL-Trommel lin HOSE...
Hohlschraube HP-HOISTING RING
O-Ring 15,54x2,62 O-RING 15.54X2.62...
Stützring 16,26x2,18 SUPPORTING...
O-Ring 11,2x1,8 O-RING 11.2X1.8...
Lagerbuchse HOISTING RING HOUSING...
Anschlussstück FITTING XGE12L...
Zylinderschraube M6x45 SCREW M6X45...
Seegerring U 20 x1,2 CIRCLIP EXTERNAL...
Sechskantschraube M8x 16 ISO 4017...
Schlauchführung HOSE GUIDE SECTION...
Zylinderschraube M6x12 SCREW M6X12
Verbindungsstück ADAPTER Ø28X48
Lagerbock HOSE GUIDE SLEEVE 33.2X2
Scheibe WASHER Ø 45X4
Scheibe WASHER Ø2
Anschlussstück NIPPEL F. Q-COUPL....
Schlauchtrommel HOSE REEL 30M
Gleitlager BEARING BUSHING 22X...
Blech 390X262X142 SHEET METAL...
Kabeltrommel CORD REEL Ø 351X363
Lager BEARING LEFT Ø 50X33
Zylinderschraube M6x30 SCREW M6X30
Ejotschraube KB50x18 WN1411 A2...
Schlauchführung HOSE GUIDE 70X40
Ejotschraube KA50x14 WN1411 verz...
Schlauchführung HOSE GUIDE SECTION...
Schraube 5x30 SCREW 5X30
Gleitlager BEARING BUSHING 22X...
Sechskantschraube M8x 16 ISO 4017...
Bremshebel BRAKE FOR HOSE REEL
SAFETY WASHER D9 A2 DIN 6799 SAFETY...
Stützring 16,26x2,18 SUPPORTING...
O-Ring 15,54x2,62 O-RING 15.54X2.62...
Zylinderschraube M6x12 SCREW M6X12
Kurbel CRANK 190X175X45
NEPTUNE 5-SB FA
Zeichnung als PDF herunterladen
NEPTUNE 5-SB Schlauchtrommel - Kabeltrommel - X2 Modelle
Wählen Sie die gewünschten Ersatzteile bitte durch einen Klick auf die Punkte in der Explosivzeichnung oder das oben angezeigte Menü aus.
HOSE CORD REEL SET Schlauch-/Kabeltrommel max. 20m DN 10
Produktnummer:
301001130
!
Dieser Artikel ist nicht mehr lieferbar. Ersatz- und Zubehörteile sind noch verfügbar.
Führungsstange 12x451 n.m.l.
Produktnummer:
301000668
!
Dieser Artikel ist nicht mehr lieferbar. Ersatz- und Zubehörteile sind noch verfügbar.
%
20% Rabatt
Anschlussstück NIPPEL F. Q-COUPL. 3/8 INCH
Produktnummer:
1600493
15,59 €*
19,49 €*
(20.01% gespart)
NEPTUNE 5-SB FA
Produktnummer:
107146652
!
Dieser Artikel ist nicht mehr lieferbar. Ersatz- und Zubehörteile sind noch verfügbar.
Artikelname
Artikelnummer
Preis
Anzahl
Artikelnummer:
301001130
Preis:
!
Dieser Artikel ist nicht mehr lieferbar. Ersatz- und Zubehörteile sind noch verfügbar.
Artikelnummer:
301000668
Preis:
!
Dieser Artikel ist nicht mehr lieferbar. Ersatz- und Zubehörteile sind noch verfügbar.
Artikelnummer:
107146652
Preis:
!
Dieser Artikel ist nicht mehr lieferbar. Ersatz- und Zubehörteile sind noch verfügbar.