Ersatzteil Wahl:
MH 1C-110/600
MH 2M-140/600
MH 2M-155/660
MH 3M-140/580 PAX
MH 3M-160/770 PAX
MH 4M-165/820
MH 4M-180/860
MH 4M-180/860 FA EU
MH 4M-190/960
MH 4M-200/960 FAX
MH 4M-200/1010
MH 4M-210-1000
MH 5M 180/800 PA E12
MH 5M 180/800 PA E24
MH 5M-190/960
MH 5M-200/1080 XP
MH 5M-200/960 FA
MH 5M-210/1100 FAX
MH 5M-150/750 E12
MH 5M-150/750 E24
MH 7P-175/1260 FA
MH 7P-175/1260 P
MH 7P-175/1260 FAX2
MH 7P-180/1260 FAX
MH 7P-180/1260 FA
MH 7P-200/1200 DE
MH 7P-220/1300 DE
MH 7P-220/1120 PE
MH 8P-180/2000 FAX
MH 8P-180/2000 FA
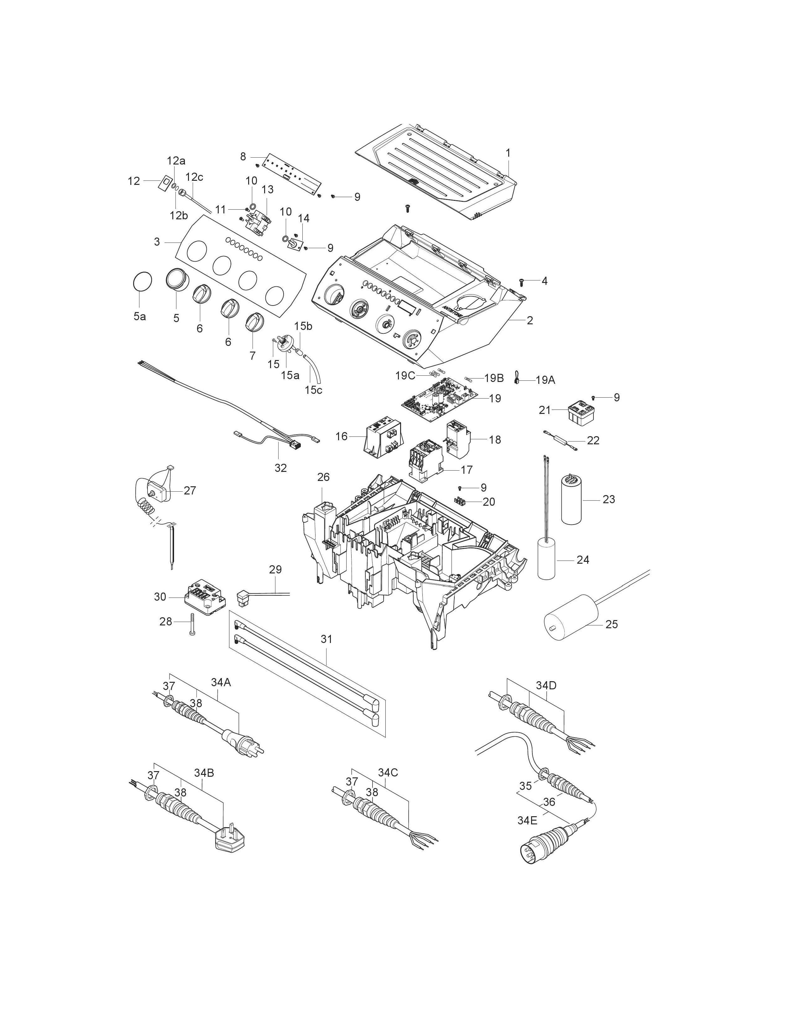
MH 4M-210-1000 Elektrokasten
MH 4M-210-1000 Elektrokasten für Stern/Dreieck
MH 4M-210-1000 Elektrokasten für 1~ Motor, 3~ Stern/Dreieck
MH 4M-210-1000 Motor Pumpe
MH 4M-210-1000 Zylinderblock
MH 4M-210-1000 Lüfter
MH 4M-210-1000 Kessel b2,5
MH 4M-210-1000 Gestell
MH 4M-210-1000 Verkleidung
MH 4M-210-1000 Wasserauffangbehälter
MH 4M-210-1000 Kraftstofftank
MH 4M-210-1000 Schlauchtrommel
MH 4M-210-1000 1x Waschmittel
MH 4M-210-1000 Anti-Kalk
MH 4M-210-1000 Brennereinheit
MH 4M-210-1000 Wasserzulauf_PA
MH 4M-210-1000 Entlader_PA
MH 4M-210-1000 Durchflussregelung PA mit Manometer