Ersatzteil Wahl:
%
25% Rabatt
Zoomen:
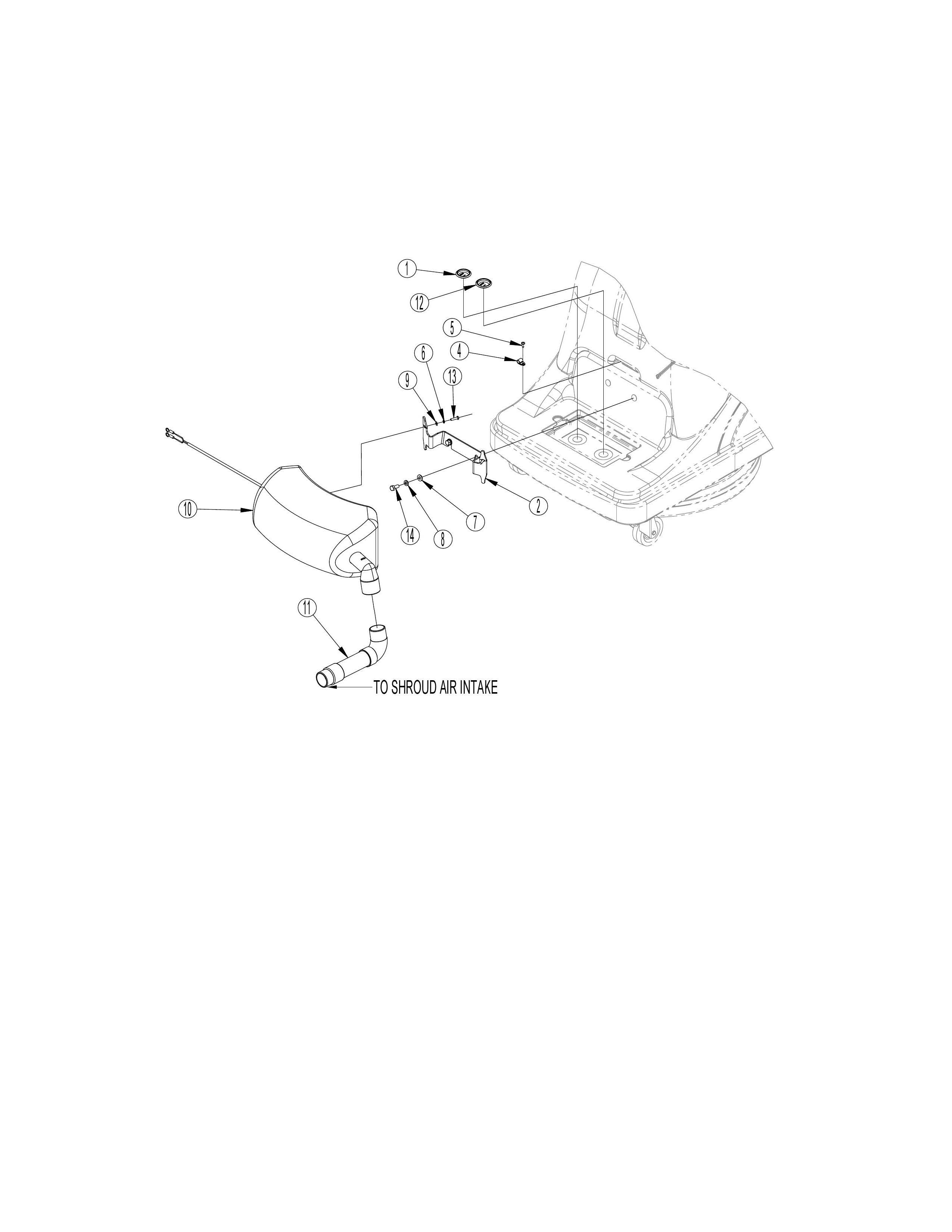
Nylonclip 5/16 Außen- NYLON CLIP-5/16...
Schraube Nr. 10-16X SCREW 10-16...
Sicherungsscheibe WASH .19 X .34...
Flachdichtung 5/16 WSH FLT SAE...
Scheibe LK 5/16 REG WASHER LK...
Flachscheibe Nr. 10 SAE WASHER...
HOSE VAC HOSE VAC
SCREW M5-.8 X 20MM P.P.HD SCREW...
Schraube 5/16-18 X.75 SCR HEX...
BU800 NILFISK BU800 51BT
Zeichnung als PDF herunterladen
BU 800 Aktives Vakuum-Kit
Wählen Sie die gewünschten Ersatzteile bitte durch einen Klick auf die Punkte in der Explosivzeichnung oder das oben angezeigte Menü aus.
%
25% Rabatt
Artikelname
Artikelnummer
Preis
Anzahl